Pages

Thursday, June 28, 2012

Triangle and Squarewave Generator Using Op-Amp

type='html'>
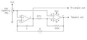
Triangle and Squarewave Generator CircuitThe circuit shows a simple triangle and squarewave generator using a common LM1558 dual op-amp to produce very low frequencies to about 10 KHz. The time interval for one half cycle is about R*C and the outputs will supply about 10mA. Triangle amplitude can be altered by adjusting the 47k resistor and waveform offset can be removed by adding a capacitor in series with the output.

LM1558 Pin-out
Absolute Maximum Ratings Of Op-Amp LM1558 IC
  • Supply Voltage ±22V
  • Power Dissipation 400 mW
  • Differential Input Voltage ±30V
  • Input Voltage (Note 3) ±15V
  • Operating Temperature Range −55°C to +125°C
  • Storage Temperature Range −65°C to +150°C
  • Lead Temperature (Soldering, 10 sec.) 260°C

No comments:

Post a Comment