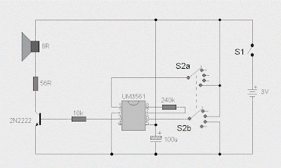
The 2 pole 4 way switch controls the sound effects. Position 1 (as drawn) being a Police siren, position 2 is a fire engine sound, 3 is an ambulance and position 4 is a machine gun effect.
Note:
The IC sound generator UM3561 is now available in a kt from Maplin Electronics. Click here for the link.
Note:
The IC sound generator UM3561 is now available in a kt from Maplin Electronics. Click here for the link.

No comments:
Post a Comment